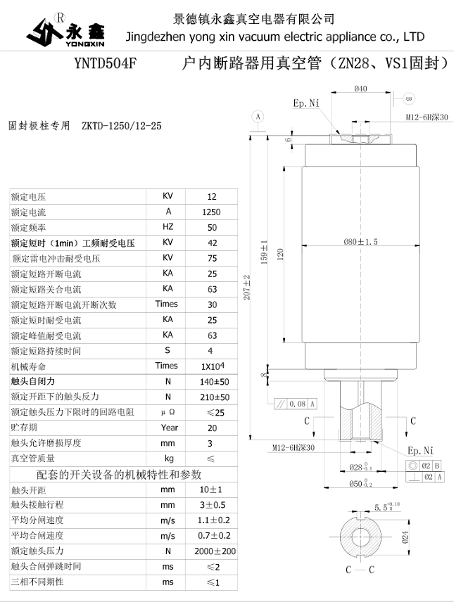
YNTD504F固封極柱用真空管(ZN28、VS1-J型固封極柱
斷路器用真空滅弧室是用于電路和電氣設備的過載和短路保護,一般不經常操作,但要求真空
滅弧室要具有開斷短路電流的能力,短路電流的開斷次數需達30次以上。
此型真空滅弧室采用一次封排工藝、陶瓷外殼,采用縱磁場觸頭結構,具有開斷容量大、絕緣
水平高、滅弧能力強、壽命長、體積小等特點和維護簡單、無爆炸危險、無污染、噪音低等優點。
用其組裝的斷路器用于電力,機械、化工、冶金、礦山、鐵道部門的輸配電系統作控制和保護。
也可作為大容量電動機的不頻繁啟動之用。并適用于與各種保護裝置組成各種配電開關。
